Электродвигатели Siemens типа 1LG

Типы электродвигателей Siemens 1LG - выпускаются мощностью от 11 до 200 кВт, габаритные характеристики находятся в пределах от 180 по 315. Разрабатываются и выпускаются для рационального выполнения приводных задач, характеризующихся высокими мощностями. Базовыми преимуществами электродвигателей Siemens 1LG выступают неизменно высокие показатели КПД, подтвержденное и доказанное в ходе проверок и тестов высокое качество сборки и объективная стоимость. Нельзя не подчеркнуть важность использования этого типа приводного оборудования в промышленных отраслях мирового значения. Как и весь процесс эксплуатации электродвигателя, его монтаж и наладка не требуют чрезмерно высоких затрат сил или средств. В ходе разработки Siemens 1LG базовым критерием выступала универсальность, позволяющая покупателям и заказчикам быть на все 100% уверенными в беспроблемности и долгосрочности использования электродвигателей. Возникающие вопросы всегда можно задать специалистам технического отдела, которые не только ответят на них, но и помогут с выбором оборудования.
Цена: от 69 100 руб.
Общее описание:
|
|
|
|
|
IMB3 габарит со 180M по 315L |
IMB35 габарит со 180M по 315L |
IMB3 габарит со 180M по 315L |
|
P, (кВт) |
Габарит |
Тип |
n, (об/мин) |
КПД, % |
cosφ |
I,(А) |
M, (Н•м) |
|
|
|
KL |
Ј, ( |
M, (кг) |
|---|---|---|---|---|---|---|---|---|---|---|---|---|---|
|
8/4 пол, 750/1500 об/мин, 50Гц. |
|||||||||||||
|
4.5 16 |
180M |
1LG4183-0BB |
725 1465 |
81.6 88.6 |
0.63 0.84 |
12.6 31 |
59 104 |
1.4 2.2 |
3.6 6.8 |
2.0 3.1 |
10 |
0.117 |
155 |
|
5 18.5 |
180L |
1LG4186-0BB |
725 1470 |
82.5 90.0 |
0.62 0.85 |
14.2 35 |
66 120 |
1.6 2.4 |
3.7 7.2 |
2.1 3.3 |
10 |
0.144 |
180 |
|
7.5 28 |
200L |
1LG4207-0BB |
730 1465 |
84.7 91.0 |
0.60 0.86 |
21.5 52 |
98 183 |
2.1 2.7 |
4.3 7.3 |
2.5 2.9 |
10 |
0.191 |
220 |
|
9.5 35 |
225S |
1LG4220-0BB |
738 1478 |
86.0 92.0 |
0.61 0.86 |
26 64 |
123 226 |
2.0 1.7 |
4.4 6.9 |
2.3 2.9 |
10 |
0.447 |
295 |
|
11.5 42 |
225M |
1LG4223-0BB |
738 1475 |
87.8 92.7 |
0.62 0.87 |
30.5 75 |
149 272 |
1.9 2.4 |
4.5 6.9 |
2.2 3.0 |
10 |
0.486 |
330 |
|
14.5 52 |
250M |
1LG4253-0BB |
740 1482 |
88.3 93.2 |
0.62 0.86 |
38 94 |
187 335 |
2.0 2.5 |
4.0 6.8 |
1.8 2.6 |
10 |
0.856 |
450 |
|
19 70 |
280S |
1LG4280-0BB |
742 1482 |
90.7 94.0 |
0.62 0.86 |
49 124 |
245 451 |
1.8 2.0 |
4.0 6.3 |
1.8 2.5 |
10 |
1.19 |
530 |
|
23 83 |
280M |
1LG4283-0BB |
742 1485 |
91.0 94.2 |
0.63 0.87 |
58 146 |
296 534 |
1.9 2.2 |
4.2 7.2 |
1.8 2.7 |
10 |
1.71 |
665 |
|
6/4 пол, 1000/1500 об/мин, 50Гц. |
|||||||||||||
|
5.5 16 |
180M |
1LG4183-1BD |
960 1460 |
81.3 88.8 |
0.82 0.83 |
12 31.5 |
55 105 |
1.6 1.7 |
4.0 5.3 |
1.8 2.5 |
10 |
0.082 |
155 |
|
6.5 19 |
180L |
1LG4186-1BD |
960 1460 |
81.4 89.3 |
0.82 0.84 |
14 36.5 |
65 124 |
1.6 1.7 |
4.0 5.2 |
1.8 2.4 |
10 |
0.086 |
175 |
|
9.5 26 |
200L |
1LG4207-1BD |
975 1460 |
84.0 90.3 |
0.82 0.84 |
20 49 |
93 170 |
1.9 1.7 |
5.0 5.1 |
2.2 2.4 |
10 |
0.151 |
235 |
|
12 34 |
225S |
1LG4220-1BD |
980 1465 |
86.2 90.8 |
0.82 0.85 |
24.5 63 |
117 222 |
2.3 1.7 |
5.7 5.6 |
2.1 2.3 |
10 |
0.295 |
285 |
|
14.5 40 |
225M |
1LG4223-1BD |
980 1470 |
88.0 92.2 |
0.82 0.86 |
28.5 72 |
141 260 |
2.2 1.9 |
5.6 5.8 |
2.1 2.3 |
10 |
0.378 |
340 |
|
18 52 |
250M |
1LG4253-1BD |
980 1475 |
88.7 93.3 |
0.83 0.87 |
34 91 |
175 337 |
2.0 2.0 |
4.9 5.9 |
2.0 2.7 |
10 |
0.447 |
380 |
|
25 70 |
280S |
1LG4280-1BD |
982 1478 |
89.3 92.4 |
0.86 0.88 |
47 124 |
243 452 |
2.1 2.2 |
5.0 6.2 |
1.9 2.6 |
10 |
1.19 |
540 |
|
30 82 |
280M |
1LG4283-1BD |
984 1480 |
90.3 93.0 |
0.86 0.86 |
56 148 |
291 529 |
2.5 2.4 |
5.5 6.6 |
2.2 2.8 |
10 |
1.39 |
580 |
ТАБЛИЦА 1. Технические характеристики для многоскоростных электродвигателей Siemens серии 1LG4
|
P, (кВт) |
Габа-рит |
Тип |
n, (об/мин) |
КПД, % |
cosφ |
I,(А) |
M, (Н•м) |
|
|
KL |
Ј, ( |
M, (кг) |
|
|---|---|---|---|---|---|---|---|---|---|---|---|---|---|
|
2 пол, 3000 об/мин, 50Гц. |
|||||||||||||
|
22 |
180L |
1LG6 183-2AA |
2955 |
94.1 |
0.88 |
38.5 |
71 |
2.5 |
7.2 |
3.4 |
16 |
0.066 |
180 |
|
30 |
200L |
1LG6 206-2AA |
2960 |
93.5 |
0.88 |
53 |
97 |
2.4 |
7.0 |
3.3 |
16 |
0.151 |
225 |
|
37 |
200L |
1LG6 207-2AA |
2960 |
94.1 |
0.89 |
64 |
119 |
2.5 |
7.2 |
3.3 |
16 |
0.182 |
255 |
|
45 |
225M |
1LG6 223-2AA |
2965 |
94.9 |
0.89 |
77 |
145 |
2.5 |
7.3 |
3.2 |
16 |
0.266 |
330 |
|
55 |
250M |
1LG6 253-2AA |
2975 |
95.3 |
0.90 |
93 |
177 |
2.4 |
6.8 |
3.0 |
16 |
0.466 |
420 |
|
75 |
280S |
1LG6 280-2AA |
2975 |
95.2 |
0.89 |
128 |
241 |
2.5 |
7.0 |
3.0 |
16 |
0.832 |
530 |
|
90 |
280M |
1LG6 283-2AA |
2978 |
95.6 |
0.90 |
150 |
289 |
2.6 |
7.6 |
3.1 |
16 |
1.00 |
615 |
|
110 |
315S |
1LG6 310-2AA |
2982 |
95.8 |
0.91 |
182 |
352 |
2.4 |
6.9 |
2.8 |
16 |
1.39 |
790 |
|
132 |
315M |
1LG6 313-2AA |
2982 |
96.0 |
0.91 |
220 |
423 |
2.6 |
7.1 |
2.9 |
16 |
1.62 |
915 |
|
160 |
315L |
1LG6 316-2AA |
2982 |
96.4 |
0.91 |
260 |
512 |
2.5 |
7.1 |
2.9 |
16 |
2.09 |
1055 |
|
200 |
315L |
1LG6 317-2AA |
2982 |
96.5 |
0.92 |
320 |
641 |
2.5 |
6.9 |
2.8 |
16 |
2.46 |
1245 |
|
4 пол, 1500 об/мин, 50Гц. |
|||||||||||||
|
18.5 |
180M |
1LG6 183-4AA |
1470 |
92.6 |
0.83 |
34.5 |
120 |
2.5 |
6.4 |
3.0 |
16 |
0.122 |
155 |
|
22 |
180L |
1LG6 186-4AA |
1470 |
93.2 |
0.84 |
40.5 |
143 |
2.5 |
6.7 |
3.1 |
16 |
0.144 |
180 |
|
30 |
200L |
1LG6 207-4AA |
1470 |
93.3 |
0.85 |
55 |
195 |
2.6 |
6.7 |
3.3 |
16 |
0.234 |
225 |
|
37 |
200L |
1LG6 220-4AA |
1480 |
94.0 |
0.85 |
67 |
239 |
2.7 |
6.8 |
3.0 |
16 |
0.398 |
290 |
|
45 |
225S |
1LG6 223-4AA |
1485 |
94.5 |
0.85 |
81 |
290 |
2.8 |
6.9 |
3.0 |
16 |
0.496 |
330 |
|
55 |
250M |
1LG6 253-4AA |
1485 |
95.1 |
0.87 |
96 |
354 |
2.6 |
7.5 |
3.0 |
16 |
0.856 |
460 |
|
75 |
280S |
1LG6 280-4AA |
1486 |
95.1 |
0.87 |
130 |
482 |
2.5 |
6.8 |
2.9 |
16 |
1.39 |
575 |
|
90 |
280M |
1LG6 283-4AA |
1488 |
95.4 |
0.86 |
158 |
578 |
2.7 |
7.5 |
3.1 |
16 |
1.71 |
675 |
|
110 |
315S |
1LG6 310-4AA |
1488 |
95.9 |
0.87 |
190 |
706 |
2.7 |
7.1 |
2.9 |
16 |
2.31 |
810 |
|
132 |
315M |
1LG6 313-4AA |
1488 |
96.1 |
0.88 |
225 |
847 |
2.7 |
7.3 |
2.9 |
16 |
2.88 |
965 |
|
160 |
315L |
1LG6 316-4AA |
1490 |
96.3 |
0.88 |
275 |
1026 |
3.0 |
7.4 |
3.0 |
16 |
3.46 |
1105 |
|
200 |
315L |
1LG6 317-4AA |
1490 |
96.4 |
0.88 |
340 |
1282 |
3.2 |
7.6 |
3.0 |
16 |
4.22 |
1305 |
|
6 пол, 1000 об/мин, 50Гц. |
|||||||||||||
|
15 |
180L |
1LG6 186-6AA |
975 |
90.9 |
0.81 |
29.5 |
147 |
2.4 |
5.5 |
2.5 |
16 |
0.203 |
175 |
|
18.5 |
200L |
1LG6 206-6AA |
978 |
91.2 |
0.81 |
36 |
181 |
2.4 |
5.6 |
2.4 |
16 |
0.285 |
210 |
|
22 |
200L |
1LG6 207-6AA |
978 |
91.9 |
0.82 |
42 |
215 |
2.4 |
5.6 |
2.4 |
16 |
0.362 |
240 |
|
30 |
225S |
1LG6 223-6AA |
980 |
93.2 |
0.83 |
56 |
292 |
2.8 |
6.5 |
2.9 |
16 |
0.629 |
325 |
|
37 |
250M |
1LG6 253-6AA |
985 |
93.7 |
0.83 |
69 |
359 |
2.9 |
6.8 |
2.5 |
16 |
0.934 |
405 |
|
45 |
280S |
1LG6 280-6AA |
988 |
94.4 |
0.85 |
81 |
435 |
3.0 |
6.8 |
2.7 |
16 |
1.37 |
520 |
|
55 |
280M |
1LG6 283-6AA |
988 |
94.6 |
0.85 |
99 |
532 |
3.3 |
7.3 |
2.9 |
16 |
1.65 |
570 |
|
75 |
315S |
1LG6 310-6AA |
990 |
95.0 |
0.83 |
138 |
723 |
2.8 |
7.3 |
3.0 |
16 |
2.50 |
760 |
|
90 |
315M |
1LG6 313-6AA |
990 |
95.3 |
0.85 |
160 |
868 |
2.7 |
7.3 |
2.9 |
16 |
3.20 |
935 |
|
110 |
315L |
1LG6 316-6AA |
990 |
95.6 |
0.85 |
196 |
1061 |
2.9 |
7.4 |
2.9 |
16 |
4.02 |
1010 |
|
132 |
315L |
1LG6 317-6AA |
990 |
95.8 |
0.85 |
235 |
1273 |
3.1 |
7.8 |
3.1 |
16 |
4.71 |
1180 |
|
8 пол, 750 об/мин, 50Гц. |
|||||||||||||
|
11 |
180L |
1LG6 186-8AB |
725 |
88.7 |
0.76 |
23.5 |
145 |
1.9 |
4.6 |
2.2 |
13 |
0.206 |
165 |
|
15 |
200L |
1LG6 207-8AB |
725 |
89.3 |
0.80 |
30.5 |
198 |
2.3 |
5.3 |
2.6 |
13 |
0.357 |
235 |
|
18.5 |
225S |
1LG6 220-8AB |
730 |
91.1 |
0.81 |
36 |
242 |
2.3 |
5.6 |
2.6 |
13 |
0.551 |
295 |
|
22 |
225M |
1LG6 223-8AB |
730 |
91.6 |
0.81 |
43 |
288 |
2.4 |
5.8 |
2.8 |
13 |
0.658 |
335 |
|
30 |
250M |
1LG6 253-8AB |
735 |
92.8 |
0.82 |
57 |
390 |
2.5 |
6.0 |
2.8 |
13 |
1.06 |
435 |
|
37 |
280S |
1LG6 280-8AB |
738 |
93.1 |
0.81 |
71 |
479 |
2.3 |
5.7 |
2.3 |
13 |
1.35 |
510 |
|
45 |
280M |
1LG6 283-8AB |
738 |
93.7 |
0.81 |
86 |
582 |
2.6 |
6.1 |
2.5 |
13 |
1.63 |
560 |
|
55 |
315S |
1LG6 310-8AB |
740 |
94.3 |
0.82 |
102 |
710 |
2.5 |
6.3 |
2.9 |
13 |
2.48 |
750 |
|
75 |
315M |
1LG6 313-8AB |
740 |
94.5 |
0.83 |
138 |
968 |
2.5 |
6.7 |
2.9 |
13 |
3.14 |
840 |
|
90 |
315L |
1LG6 316-8AB |
740 |
94.7 |
0.84 |
164 |
1161 |
2.4 |
6.3 |
2.8 |
13 |
3.95 |
1005 |
|
110 |
315L |
1LG6 317-8AB |
740 |
94.8 |
0.84 |
200 |
1420 |
2.4 |
6.4 |
2.6 |
13 |
4.52 |
1100 |
ТАБЛИЦА 2. Технические характеристики электродвигателей Siemens серии 1LG6

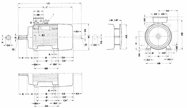
РИС 1. Габаритные и присоединительные размеры 1LG4 (лапы. 180M-315L)

ТАБЛИЦА 3.

ТАБЛИЦА 4.

РИС 2. Габаритные и присоединительные размеры 1LG4 (фланец. 180M-315L)

ТАБЛИЦА 5.

ТАБЛИЦА 6.

РИС 3. Габаритные и присоединительные размеры 1LG4 (лапы-фланец 180M-315L)

ТАБЛИЦА 7.


